Napl南岸普力 TAC20-Z SCR短路/开路报警器
Napl南岸普力 TAC20-Z SCR短路/开路报警器

一、技术规格
|
1 |
电流输入 |
测量点数:2相;测量范围:0~ |
|
2 |
控制输入 |
输入电平:高电平,4~15V;低电平,1.5V;最大输入电流:<20mA;
输入隔离:光电隔离 隔离电压:2KV DC/ 1分钟;输入端子:5、6
连接方式:接周波控制器的输出(周波调功)或仪表的P型输出(周期调功方式) |
|
3 |
报警输出 |
短路报警ALM1:1常开;接点容量:
开路报警ALM2:1常开;接点容量:
报警复位:重新通电 |
|
4 |
指示灯 |
控制输入:绿色LED灯;短路报警:红色LED灯;开路报警:红色LED灯;电源指示:红色LED灯 闪烁 |
|
5 |
SCR控制方式 |
周波过零调功 或 PWM周期过零调功 |
|
6 |
电源/功耗 |
电压:24VDC 直流;功耗:1.5W最大;电流:55mA报警时,25 mA 监控状态 |
二、工作原理

本产品根据SCR调功控制信号与SCR电流的逻辑关系,判断SCR是否工作正常。
当控制输入信号为高电平,能够检测到SCR电流;当控制输入信号为低电平,检测不到SCR电流,此时SCR工作正常。
当控制输入信号为高/低电平,都能够检测到SCR电流,为SCR短路。为防止误报警,只有在连续检测出SCR短路0.5秒后,短路报警接点才动作输出,同时短路报警灯亮。
当控制输入信号为高/低平,都检测不到SCR电流,为SCR开路或加热器断线。为防止误报警,只有在连续检测出SCR断路0.5秒后,开路报警接点动作输出,同时开路报警灯亮。
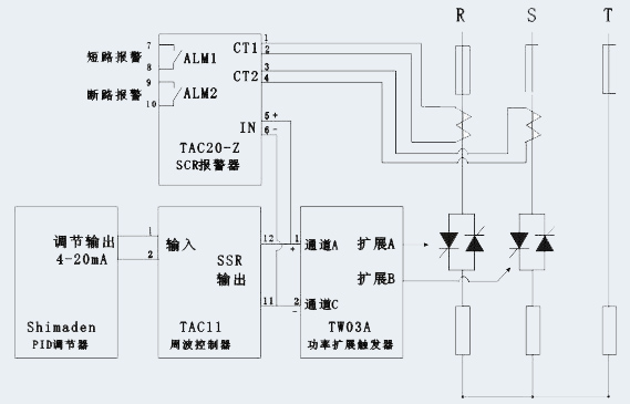
三、应用实例(与周波控制器配合的两控三调功控制系统)

四、接线端子图

moreNews Comment
Quick Comment